现在的U盘容量越来越大,对U盘的传输速度也有较高的要求,usb3.0U盘就是为了更高速传输而出现的,你知道usb3.0U盘与usb2.0U盘的速度差距有多大吗?
都说usb3.0的U盘传输速度快,那么怎么判断U盘是不是usb3.0的U盘呢?小编这里给大家介绍一下usb3.0跟usb2.0的U盘的区别,希望对你有所帮助。
1、从usb接口的外观上看,USB2.0通常是白色或黑色,而USB3.0则是的蓝色接口。

U盘电脑图解1
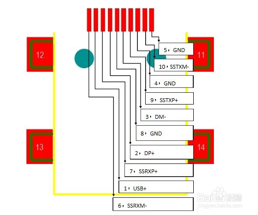
2、从USB插口引脚上来看,USB2.0采用4针脚设计,而USB3.0则采取9针脚设计,相比而言USB3.0功能更强大。

U盘电脑图解2
3、从USB公口的外观上来看,USB3.0接口部分标记有“SS”样式,USB2.0则只标记普通的USB通用标识。

usb2.0电脑图解3
4、另外在电脑的接口处也有分usb3.0和usb2.0接口,usb3.0的U盘插在usb3.0的接口才能充分发挥其作用。

usb3.0U盘电脑图解4
5、usb3.0与usb2.0的传输速度有很大的差距,理论值:USB 3.0的传输速度是4.8Gbps,是USB 2.0的10倍。即4.8Gbps=600MB/S。

usb3.0电脑图解5
Copyright ©2018-2023 www.958358.com 粤ICP备19111771号-7 增值电信业务经营许可证 粤B2-20231006